企业简介
企业文化
厂房环境
组织结构
资质证书
电子样本
产品推荐
新品推荐
产品中心
气源处理器系列
EAC系列三联件
EAC系列二联件
EAW系列过滤减压阀
EAF系列过滤器
EAR系列减压阀
EAL系列油雾器
自动排水器
气源处理器安装附件
方向控制阀
电磁阀
气控阀
气控阀集装板
线圈.线圈插座
直动式电磁阀
流体阀
机械.人力阀
ASC单向节流阀
快速排气阀
梭阀
气缸
铝合金迷你气缸
不锈钢迷你气缸
标准气缸
薄型气缸
ECXS系列平行双杆气缸
气缸附件
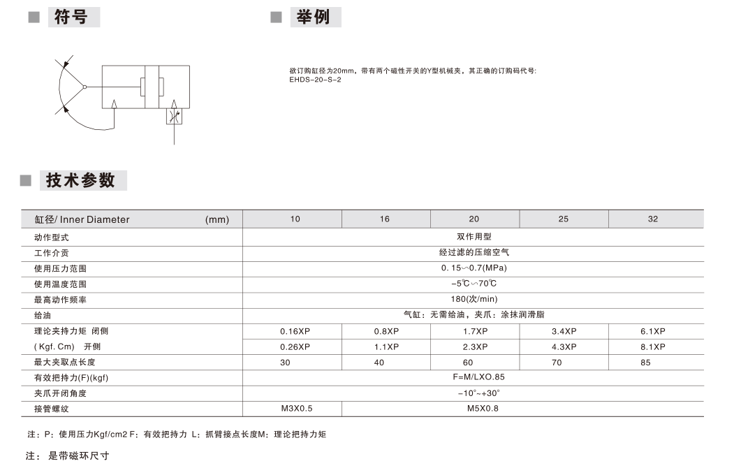
EHDS系列Y型气爪
快速接头及辅件系列
公制接管-R/Rc螺纹接头
公制接管-G螺纹接头
英制接管-R/Rc螺纹接头
英制管-NPT螺纹接头
迷你管接头
单向节流阀
手阀
金属接头
消声器
气枪
尼龙/聚氨酯气管
PU螺旋管
气管剪
单向阀
真空发生器、真空吸盘
暂无小类
产品中心
版权所有 天津市亿日气动机械有限公司 公司地址:天津市南开区广开三马路 联系电话:022-27269776 传真号码:022-27269618 备案号:津ICP备11003455号-1